
【產品用途】
D343H 、D343W型三偏心多層次硬密封蝶閥廣泛地應用到冶金、電力、石油、化工、空氣、煤氣、可燃氣體以及給排水等腐蝕性介質的管道上。
【標準規范】
設計制造標準:GB/T 12238-2008
結構長度標準:GB/T 12221-2005
連接法蘭標準:GB/T 9113
壓力溫度等級:GB/T 12224-2005
試驗檢驗標準:GB/T 13927-2008
【結構特點】
1、硬密封蝶閥采用三偏心硬密封結構,閥座與蝶板幾乎無磨損,具有越觀越緊的密封功能。
2、密封圈選用不銹鋼制作,具有金屬硬密封和彈性密封的雙重優點,無論在低溫和高溫的情況下,均具有優良的密封性能,具有耐腐蝕,使用壽命長等特點。
3、蝶板密封面采用堆焊鈷基硬質合金,密封面耐磨損,使用壽命長。
4、大規格蝶板采用絎架結構,強度高,過流面積大,流阻小。
5、根據用戶需求,閥門供應網的硬密封蝶閥可以設計成具有雙向密封功能,安裝時不受介質流向的限制,也不受空間位置的影響,可在任何方向安裝。
6、驅動裝置可以多工位(旋轉90°或180°)安裝,便于用戶使用。
【主要性能規范】
|
公稱通徑 |
DN(mm) |
50-4000 |
||
|
公稱壓力 |
PN(MPa) |
1.0 |
1.6 |
2.5 |
|
試驗壓力 |
強度試驗 |
1.5 |
2.4 |
3.75 |
|
密封試驗 |
1.1 |
1.76 |
2.75 |
|
|
氣密封試驗 |
0.6 |
0.6 |
0.6 |
|
【產品零部件材料】
|
型號 |
D343H-16 |
D343W-16P |
D343W-16R |
|
|
工作壓力(MPa) |
1.6 |
|||
|
適用溫度(℃) |
≤425 |
≤200 |
||
|
適用介質 |
水、油或非腐蝕性介質 |
硝酸類介質 |
醋酸類介質 |
|
|
材料 |
閥體、蝶板 |
WCB |
CF8/304 |
CF3M/316L |
|
閥桿 |
2Cr13 |
304 |
316L |
|
|
閥體密封面 |
堆焊 507 |
- |
- |
|
|
蝶板密封面 |
304+柔性石墨 |
304+PTFE |
304+PTFE |
|
|
填料 |
柔性石墨 |
PTFE |
PTFE |
|
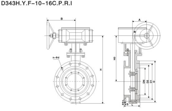
【主要外形和連接尺寸】
|
PN |
DN |
L |
D |
D1 |
D2 |
Z-d |
b |
f |
H |
H0 |
|
1.0 |
50 |
108 |
165 |
125 |
99 |
4-18 |
20 |
2 |
170 |
130 |
|
1.0 |
65 |
112 |
185 |
145 |
118 |
4-18 |
20 |
2 |
170 |
145 |
|
1.0 |
80 |
114 |
200 |
160 |
132 |
8-18 |
20 |
2 |
230 |
152 |
|
1.0 |
100 |
127 |
220 |
180 |
156 |
8-18 |
22 |
2 |
320 |
192 |
|
1.0 |
125 |
140 |
250 |
210 |
184 |
8-18 |
22 |
2 |
345 |
200 |
|
1.0 |
150 |
140 |
285 |
240 |
211 |
8-22 |
24 |
2 |
385 |
230 |
|
1.0 |
200 |
152 |
340 |
295 |
266 |
8-22 |
24 |
2 |
471 |
297 |
|
1.0 |
250 |
165 |
405 |
355 |
319 |
12-22 |
26 |
2 |
533 |
327 |
|
1.0 |
300 |
178 |
445 |
400 |
370 |
12-22 |
26 |
2 |
606 |
364 |
|
1.0 |
350 |
190 |
505 |
460 |
429 |
16-22 |
26 |
2 |
694 |
404 |
|
1.0 |
400 |
216 |
565 |
515 |
480 |
16-26 |
26 |
2 |
757 |
444 |
|
1.0 |
450 |
222 |
615 |
565 |
530 |
20-26 |
28 |
2 |
814 |
472 |
|
1.0 |
500 |
229 |
670 |
620 |
582 |
20-26 |
28 |
2 |
902 |
522 |
|
1.0 |
600 |
267 |
780 |
725 |
682 |
20-30 |
34 |
2 |
1048 |
590 |
|
1.0 |
700 |
292 |
895 |
840 |
794 |
24-30 |
34 |
5 |
1277 |
810 |
|
1.0 |
800 |
318 |
1015 |
950 |
901 |
24-33 |
36 |
5 |
1385 |
844 |
|
1.0 |
900 |
330 |
1115 |
1050 |
1001 |
28-33 |
38 |
5 |
1490 |
890 |
|
1.0 |
1000 |
410 |
1230 |
1160 |
1112 |
28-36 |
38 |
5 |
1620 |
950 |
|
1.6 |
50 |
108 |
165 |
125 |
99 |
4-18 |
20 |
2 |
170 |
130 |
|
1.6 |
65 |
112 |
185 |
145 |
118 |
4-18 |
20 |
2 |
170 |
145 |
|
1.6 |
80 |
114 |
200 |
160 |
132 |
8-18 |
20 |
2 |
230 |
152 |
|
1.6 |
100 |
127 |
220 |
180 |
156 |
8-18 |
22 |
2 |
320 |
192 |
|
1.6 |
125 |
140 |
250 |
210 |
184 |
8-18 |
22 |
2 |
345 |
200 |
|
1.6 |
150 |
140 |
285 |
240 |
211 |
8-22 |
24 |
2 |
385 |
230 |
|
1.6 |
200 |
152 |
340 |
295 |
266 |
12-22 |
24 |
2 |
471 |
297 |
|
1.6 |
250 |
165 |
405 |
355 |
319 |
12-26 |
26 |
2 |
533 |
327 |
|
1.6 |
300 |
178 |
460 |
410 |
370 |
12-26 |
28 |
2 |
606 |
364 |
|
1.6 |
350 |
190 |
520 |
470 |
429 |
16-26 |
30 |
2 |
694 |
404 |
|
1.6 |
400 |
216 |
580 |
525 |
480 |
16-30 |
32 |
2 |
757 |
444 |
|
1.6 |
450 |
222 |
640 |
585 |
548 |
20-30 |
40 |
2 |
814 |
472 |
|
1.6 |
500 |
229 |
715 |
650 |
609 |
20-33 |
44 |
2 |
902 |
522 |
|
1.6 |
600 |
267 |
840 |
770 |
720 |
20-36 |
54 |
2 |
1048 |
590 |
|
1.6 |
700 |
292 |
910 |
840 |
794 |
24-36 |
40 |
5 |
1277 |
810 |
|
1.6 |
800 |
318 |
1025 |
950 |
901 |
24-39 |
42 |
5 |
1385 |
844 |
|
1.6 |
900 |
330 |
1125 |
1050 |
1001 |
28-39 |
44 |
5 |
1490 |
890 |
|
1.6 |
1000 |
410 |
1225 |
1170 |
1112 |
28-42 |
46 |
5 |
1620 |
950 |
|
2.5 |
50 |
108 |
165 |
125 |
99 |
4-18 |
20 |
2 |
170 |
130 |
|
2.5 |
65 |
112 |
185 |
145 |
118 |
8-18 |
22 |
2 |
265 |
210 |
|
2.5 |
80 |
114 |
200 |
160 |
132 |
8-18 |
24 |
2 |
310 |
233 |
|
2.5 |
100 |
127 |
235 |
190 |
156 |
8-22 |
24 |
2 |
343 |
242 |
|
2.5 |
125 |
140 |
270 |
220 |
184 |
8-26 |
26 |
2 |
385 |
254 |
|
2.5 |
150 |
140 |
300 |
250 |
211 |
8-26 |
28 |
2 |
445 |
580 |
|
2.5 |
200 |
152 |
360 |
310 |
274 |
12-26 |
30 |
2 |
510 |
297 |
|
2.5 |
250 |
165 |
425 |
370 |
330 |
12-30 |
32 |
2 |
569 |
339 |
|
2.5 |
300 |
178 |
485 |
430 |
389 |
16-30 |
34 |
2 |
653 |
375 |
|
2.5 |
350 |
190 |
555 |
490 |
448 |
16-33 |
38 |
2 |
730 |
420 |
|
2.5 |
400 |
216 |
620 |
550 |
503 |
16-36 |
40 |
2 |
810 |
463 |
|
2.5 |
450 |
222 |
670 |
600 |
548 |
20-36 |
46 |
2 |
850 |
495 |
|
2.5 |
500 |
229 |
730 |
660 |
609 |
20-36 |
48 |
2 |
940 |
566 |
|
2.5 |
600 |
267 |
845 |
770 |
720 |
20-39 |
58 |
2 |
1150 |
630 |
|
2.5 |
700 |
292 |
960 |
875 |
820 |
24-42 |
58 |
5 |
1195 |
727 |
|
2.5 |
800 |
318 |
1085 |
990 |
609 |
24-36 |
58 |
5 |
1268 |
810 |
【結構圖片】